2025年,区发展改革委坚持以习近平新时代中国特色社会主义思想为指导,深入学习贯彻党的二十大精神,全面落实《中华人民共和国政府信息公开条例》规定及市、区关于全面推进政务公开工作的系列部署,紧紧围绕区委、区政府中心工作及发展改革重点任务,遵循公正、公平、合法、便民的原则,不断提高依法行政水平和行政透明度,为全区经济社会高质量发展营造了良好环境。现向社会公布重庆市沙坪坝区发展和改革委员会2025年政府信息公开工作年度报告。
一、总体情况
(一)深化信息公开工作 筑牢公众知情保障
坚持“应公开、尽公开”,紧紧围绕发展改革主责主业,不断拓展和细化主动公开内容。2025年,通过政府网站主动公开了机构职能、政策法规、国民经济、营商环境、重大建设项目、物价信息、财政预决算、工程建设项目招标投标、政府采购信息公告、国有资产租赁信息公告、工程建设招标信息公告等重点领域信息,共计2400余条,有效保障了公众的知情权。
(二)依申请公开政府信息,维护公众合法权益
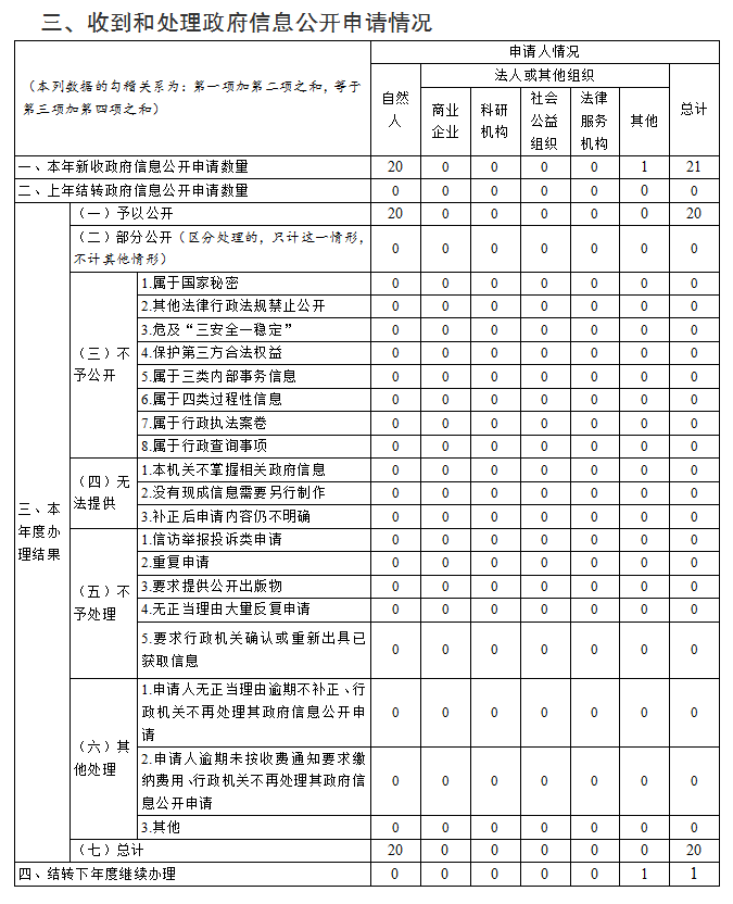
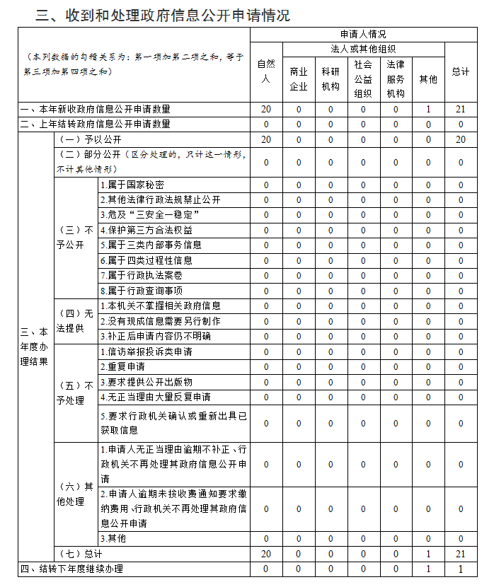
坚持依法依规做好依申请公开工作,规范受理、办理、答复政府信息公开申请流程,明确专人负责,强化领导督办,确保申请渠道畅通、办理程序规范、答复内容依法有据。在办理过程中,注重与申请人的沟通,努力在法定权限内满足人民群众和市场主体对政府信息的合理需求,发挥政府信息对生产生活和经济社会活动的服务作用。2025年,我委共收到政府信息公开申请21件,均已严格按照法定时限和要求予以答复,未产生政府信息公开行政复议、行政诉讼情况。
(三)抓实政府信息管理,守牢信息安全底线
严格落实政府信息公开保密审查程序,落实信息发布“三审三校”制度,确保内容准确、表述规范。结合工作实际,完善我委政府信息公开指南,明确了主动公开和依申请公开的渠道、方式、答复时限以及监督和保障。同时,加强已发布信息的管理力度,清理过期无效信息,确保政府信息的时效性和准确性。
(四)优化公开平台建设,畅通信息获取渠道
积极对政府门户网站进行布局优化,加强平台建设,完善栏目内容,提升用户体验。根据工作需要和机构职能调整,及时增设、整合或优化栏目设置,确保栏目设置科学合理、信息归类清晰准确,提升公众获取信息的便捷度。
(五)强化监督保障机制,促进政务公开提质增效
高度重视政府信息公开工作,成立了以主要领导为组长的政府信息公开工作领导小组,明确了日常工作牵头科室和具体责任人,形成了职责分明、分工合理、各负其责、齐抓共管的工作局面。同时,不断健全和完善政府信息公开制度,确保政府信息公开工作依法、有序进行。定期开展自查工作,对政务公开工作情况进行检查和通报,不断提高信息公开的质量和效率。对外公布监督投诉电话和邮箱,自觉接受人大代表、政协委员、社会公众和新闻媒体的监督,对收到的意见建议及时研究处理。



五、存在的主要问题及改进情况
主要问题:一是部分版块数据更新不够及时;二是政务公开与业务工作融合的紧密度需持续深化。
改进措施:一是提高信息公开的主动性和时效性,对公众关心的热点领域予以全面、及时、准确回应;二是强化融合创新,将政务公开要求更深层次地嵌入发展改革各项业务工作流程,实现同步部署、同步推进。
六、其他需要报告的事项
本单位严格落实《中华人民共和国政府信息公开条例》,完成政务公开各项工作。本单位未收取信息处理费。
本报告按照《中华人民共和国政府信息公开条例》《重庆市人民政府办公厅关于做好政府信息公开工作年度报告有关工作的通知》等文件精神,结合2025年沙坪坝区发展和改革委员会政府信息公开工作的实际情况编制,报告中所列数据的统计期限自2025年1月1日起至2025年12月31日止。如对本报告有任何疑问,请与沙坪坝区发展和改革委员会办公室联系(地址:重庆市沙坪坝区凤天大道8号机关大楼3楼;邮编:400038;电话:65368184)。
重庆市沙坪坝区发展和改革委员会
2026年1月29日

